warning An error has occurred. This application may no longer respond until reloaded. refresh Reload
gevil.jp
favorite_border 36
プラスコントロールとマイナスコントロールの確認方法 | TECH-MASTER テックマスター
favorite_border 20
エーモン
favorite_border 22
ホーン用のリレー 取り付け例 | TECH-MASTER テックマスター
favorite_border 19
社外ホーンの配線!? - 何とかなるさ!何とかしなくちゃ!?
favorite_border 8
エーモン[3235]リレー製品詳細ページ
favorite_border 18
ルームランプ連動+ACC連動+イルミ連動(減光)のLEDフットランプの作り方  追補編
favorite_border 23
配線図
favorite_border 23
e-auto fun 極性変換リレー H4 ハイロー切替のマイナスコントロールをプラスコントロールへ変換 2個セット 送料無料 : e-auto  fun. - 通販 - Yahoo!ショッピング
favorite_border 0
特価商品】極性変換リレー マイナスコントロール車用マルチリレーユニットH4 プラスコントロールに変換するリレーキット 12V24V車専用  LEDヘッドライトプラスコントロール MOVOTOR HiLo切替式用 - メルカリ
favorite_border 88
FXの電装品修理 | 素人バイクライフ
favorite_border 22
電気回路図のよみ方~制御図面など~ | 【やさしく解説する電気】受電から制御まで
favorite_border 37
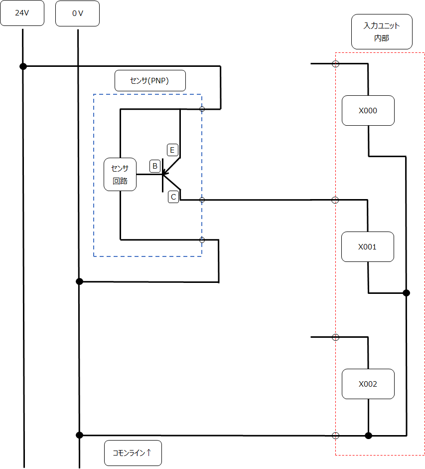
初級編】NPNとは?PNPとは?入力ユニット選定のキホン 覚えておきたい4つの事 - テクニカルシーケンス.com
favorite_border 47
コペン CEPハイビームデイライトキット取付 | HIDEちゃん趣味の部屋(工具・パソコン・車等) - 楽天ブログ
favorite_border 12
LED調光器の配線方法:安全上の注意点を含む完全ガイド
favorite_border 55
電気回路図のよみ方~制御図面など~ | 【やさしく解説する電気】受電から制御まで
favorite_border 92
オートライト化 | 自分の車は自分で把握!
favorite_border 89
リレー ONOFFスイッチ用 DC24V専用 1個 モノタロウ 【通販モノタロウ】
favorite_border 2
電気回路図のよみ方~制御図面など~ | 【やさしく解説する電気】受電から制御まで
favorite_border 6
LEDストリップライトの配線方法(配線図付き) - boqi LED ドライバー & コントローラー